注意:访问本站需要Cookie和JavaScript支持!请设置您的浏览器! 打开购物车 查看留言付款方式联系我们
初中电子 单片机教材一 单片机教材二
搜索上次看见的商品或文章:
商品名、介绍 文章名、内容
首页 电子入门 学单片机 免费资源 下载中心 商品列表 象棋在线 在线绘图 加盟五一 加入收藏 设为首页
本站推荐:
ATX电源辅助电路原理与检修
文章长度[2062] 加入时间[2006/7/1] 更新时间[2026/5/1 10:48:06] 级别[3] [评论] [收藏]

2003年,第3期,类别:专题维修


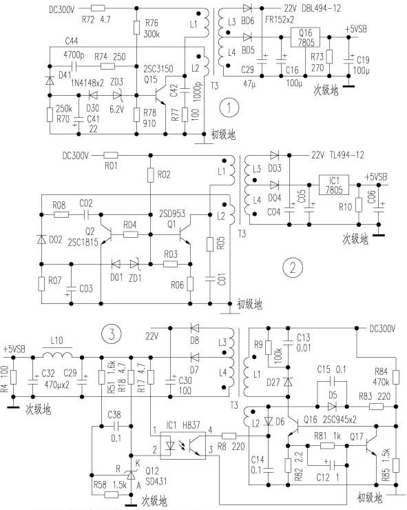
  ATX开关电源中,辅助电源电路是维系微机、ATX电源能否正常工作的关键。其一,辅助电源向微机主板电源监控电路输出+5VSB待机电压,其二,向ATX电源内部脉宽调制芯片和推动变压器一次绕组提供+22V左右直流工作电压。只要ATX开关电源接入市电,无论是否启动微机,其他电路可以有待机休闲和受控启动两种控制方式的轮换,而辅助电源电路即处在高频、高压的自激振荡或受控振荡的工作状态,部分电路自身缺乏完善的稳压调控和过流保护,使其成为ATX电源中故障率最高的部位。本文以目前微机中使用的三款国产ATX开关电源为例,根据实物测绘的辅助电源电路,结合检修实例剖析辅助电路的工作原理如下:
  一、银河 银星-280B ATX电源辅助电路(见图1)
  整流后的300V直流电压,经限流电阻R72、启动电阻R76、T3推动变压器一次绕组L1分别加至Q15振荡管b、c极,Q15导通。反馈绕组L2感应电势,经正反馈回路C44、R74加至Q15  b极,加速Q15导通。T3二次绕组L3、L4感应电势上负下正,整流管BD5、BD6截止。随着C44充电电压的上升,注入Q15的基极电流越来越少,Q15退出饱和而进入放大状态,L1绕组的振荡电流减小,由于电感线圈中的电流不能跃变,L1绕组感应电势反相,L2绕组的反相感应电势经R70、C41、D41回路向C41充电,C41正极接地,负极负电位,使ZD3、D30导通,Q15基极被迅速拉至负电位,Q15截止。T3二次绕组L3、L4感应电势上正下负,BD5、BD6整流二极管输出两路直流电源,其中+5VSB是主机唤醒ATX电源受控启动的工作电压,若该电压异常,当采用键盘、鼠标、网络远程方式开机或按下机箱面板启动按钮时,ATX电源无法受控启动输出多路直流稳压电源。截止期间,C44电压经R74、L2绕组放电,随着C44放电电压的下降,Q15基极电位回升,一旦大于0.7V,Q15再次导通。导通期间,C41经R70放电,若C41放电回路时间常数远大于Q15的振荡周期时,最终在Q15基极形成正向导通0.7V,反向截止负偏压的电位,减小Q15关断损耗,D30、ZD3组成基极负偏压截止电路。R77、C42为阻容吸收回路,抑制吸收Q15截止时集电极产生的尖峰谐振脉冲。
  该辅助电源无任何受控调整稳压保护电路,常见故障是R72、R76阻值变大或开路,Q15、ZD3、D30、D41击穿短路,并伴随交流输入整流滤波电路中的整流管击穿,交流保险炸裂现象。隐蔽故障是C41由于靠近Q15散热片,受热烘烤而容量下降,导致二次绕组BD6整流输出电压在ATX电源接入市电瞬间急剧上升,高达80V,通电瞬间常烧坏DBL494脉宽调制芯片。这种故障相当隐蔽,业余检修一般不易察觉,导致相当一部分送修的银河ATX开关电源未能找到故障根源,从而又烧坏新换的元件。
  二、森达Power98 ATX电源辅助电路(见图2)
  自激振荡工作原理与银河ATX开关电源相同。在T3推动变压器一次绕组振荡电路中增加了过流调整管Q2。Q1自激振荡受Q2调控,当T3一次绕组整流输入电压升高或二次绕组负载过重,流经L1绕组和Q1 c、e极的振荡电流增加时,R06过流检测电阻压降上升,由R03、R04传递给Q2 b极,Q2 b极电位大于0.7V,Q2导通,将Q1基极电位拉低,Q1饱和导通时间缩短,一次绕组由电能转化为磁能的能量储存减少,二次绕组整流输出电压下降。而Q1振荡开关管自激振荡正常时,Q2调整管截止。
  该电路一定程度上改善了辅助电源工作的可靠性,但当市电上升,整流输入电压升高,或T3二次绕组负载过重,Q2调整作用滞后时,仍会烧R01、R02、Q1、R06元件,有时殃及ZD1、D01、Q2元件。
  三、技展 200XA ATX电源辅助电路(见图3)
  其一次绕组边同上述两种电路;二次绕组边增加了过压保护回路。工作原理如下:
  若T3二次绕组输出电压上升,由R51、R58分压,精密稳压调节器Q12参考端 Ur电位上升,控制端Uk电位下降,IC1发光二极管导通,光敏三极管c、e极输出电流流入调整管Q17基极,Q17导通使振荡开关管Q16截止,从而起到过压保护作用。D27、R9、C13组成Q16尖峰谐振脉冲吸收回路,C29、L10、C32组成滤波回路,消除+5VSB的纹波电压。

                                      湖北  周跃钢



1、 本站不保证以上观点正确,就算是本站原创作品,本站也不保证内容正确。
2、如果您拥有本文版权,并且不想在本站转载,请书面通知本站立即删除并且向您公开道歉! 以上可能是本站收集或者转载的文章,本站可能没有文章中的元件或产品,如果您需要类似的商品请 点这里查看商品列表!
本站协议 | 版权信息 |  关于我们 |  本站地图 |  营业执照 |  发票说明 |  付款方式 |  联系方式
深圳市宝安区西乡五壹电子商行——粤ICP备16073394号-1;地址:深圳西乡河西四坊183号;邮编:518102
E-mail:51dz$163.com($改为@);Tel:(0755)27947428
工作时间:9:30-12:00和13:30-17:30和18:30-20:30,无人接听时可以再打手机13537585389