注意:访问本站需要Cookie和JavaScript支持!请设置您的浏览器! 打开购物车 查看留言付款方式联系我们
初中电子 单片机教材一 单片机教材二
搜索上次看见的商品或文章:
商品名、介绍 文章名、内容
首页 电子入门 学单片机 免费资源 下载中心 商品列表 象棋在线 在线绘图 加盟五一 加入收藏 设为首页
本站推荐:
双稳态电路详细讲解
文章长度[13118] 加入时间[2006/7/1] 更新时间[2026/4/25 18:38:00] 级别[3] [评论] [收藏]
双稳态电路
一、工作原理
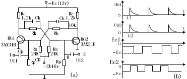
图一为双稳态电路,它是由两级反相器组成的正反馈电路,有两个稳定状态,或者是BG1导通、BG2截止;或者是BG1截止、BG2导通,由于它具有记忆功能,所以广泛地用于计数电路、分频电路和控制电路中,
原理,图2(a)中,设触发器的初始状态为BG1导通,BG2截止,当触发脉冲方波从1端输入,经CpRp微分后,在A点产生正、负方向的尖脉冲,而只有正尖脉冲能通过二极管D1作用于导通管BG1的基极是。ic1减小使BG1退出饱和并进入放大状态,于是它的集电极电位降低,经电阻分压器送到截止管BG2的基极,使BG2的基极电位下降,如果下降幅度足够时,BG2将由截止进入放大状态,因而产生下列正反馈过程(看下列反馈过程时,应注意:在图一的PNP电路中,晶体管的基极和集电极电位均为负值,所以uc1↓,表示BG1集电极电位降低,而uc1↑则表示BG1集电极电位升高,当BG1基极电位降低时,则ic1↑,反之当BG1基极电位升高时,ic1↓
ic1越来越小,ic2越来越大,最后到达BG1截止、BG2导通;接差触发脉冲方波从2端输入,并在t=t2时,有正尖脉冲作用于导通管BG2的基极,又经过正反馈过程,使BG1导通,BG2截止。以后,在1、2端的触发脉冲的轮流作用下,双稳电路的状态也作用相应的翻转,如图一(b)所示。

图一、双稳态电路
由上述过程可见:(1)双稳态电路的尖顶触发脉冲极性由晶体管的管型决定:PNP管要求正极性脉冲触发,而NPN管却要求负极性脉冲触发。(2)每触发一次,电路翻转一次,因此,从翻转次数的多少,就可以计算输入脉冲的个数,这就是双稳态电路能够计算的原理。
双稳态电路的触发电路形式有:单边触发、基极触发、集电极触发和控制触发等。
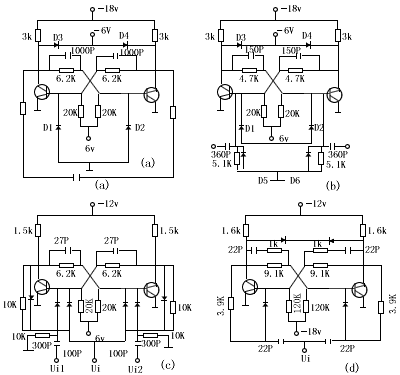
图二给出几种实用的双稳态电路。电路(a)中D3、D4为限幅二极管,使输出幅度限制在-6伏左右;电路(b)中的D5、D6是削去负尖脉冲;电路(C)中的ui1、ui2为单触发,ui为输入触发表一是上述电路的技术指标。

图二、几种实用的双稳态电路
表一
几种双稳态触发器的技术指标
图二
(a)
(b)
(c)
(d)
管型 二极管
2AP3
2AP15
2AK1C
2AK17
三极管
3AX31B
3AG40
3AK20
3DK3B
信号电平 “0”(无信号)(V)
0
0
0
+6
“1”(有信号)(V)
-6
-6
-9
0
工作频率(KHz)
10
600
1000
8000
抗干扰电压(V)
≥1
≥1.5
≥2
0.8-1
触发灵敏度(V)
≤4
≤4.8
≤7
2.5
输出端的吸收能力(mA)
≤4
≤6.7
≤2
10
输出端的发射能力(mA)
≤44
≤12
≤12
7
输出脉冲的上升时间(μs)
2
≤0.30
≤0.1
≤0.1
输出脉冲的下降时间(μs)
2
≤0.36
≤0.15
≤0.1
对β值的要求
>50
50-80
60-90
>50
元件参数的允许化
△β<10,±5%
△β<10,±5%
△β<10,±5%
△β<10,±5%
电源电压的波动范围
±5%
±5%
±5%
±5%
工作温度范围(℃)
0-40
-10-55
-20-50
-10-55
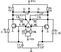
二、双稳态电路的设计

图三、双稳态的设计电路
双稳态设计电路见表二
表二 双稳态电路的设计公式及计算实例
要求 (1)输出幅度Um=6V,(2)上升时间,tr≤100nS
(3)最高工作频率fmax=1MHz
步骤 计算公式 计算实例
选择晶体管 若工作频率高时,应选用高速硅开关管
若工作频率低可选用低频硅或锗管
现选3DK,β=50
二极管选用2CK10
选择电源电压 图3为设计电路,故应确定ED、EC、EB ∵采用箝位电路,故选ED≈Um
∴ED=6V,Ec=2ED=12v,Eb=-12
计算Rc RcCL为集电极对地的电容(包括加速电容、分布电容、后级输入电容) 现设CL=180pF
Rc<12/6 100×10/180×10=1.1kΩ
计算Rk、RB 为保证可靠截止,应满足:
Uces-[(EB+Uces)/(RK+RB)]RK为保证可靠饱和,应满足:
β{[(Uco-Ubes)/RK]-[(EB+Ubes)/RB]}>[(Ec-Uces)/Rc]+IL
式中:Uces为饱和电压,对硅管Uces≈(0.3~0.4)V
Ubeo为截止管临界电压,Ubeo≈0.2V
Uco为截止管的集电极电压,应取:Uco=ED+(箝位管正向压降)IL为双稳电路灌入负截电流
现选Uces=0.4V,Ubeo=0.2V
0.4-[(12+0.4)/(Rk+RB)]Rk<0.2
∴RB<61RK (A)
现设IL=100mA,Ueo=6+0.4=6.4V
50[(6.4-0.7)/RK]-[(12+0.7)/RB]>[(12-0.4)/1]+10
∴RB>12.7RK/(5.7-0.43RK (B)
若选RK=6.8k由(A)算得RB<415K,由(B)式算得RB>31K,故选RB=39K
选择CrRr RrCr≤1/2fmax,通常Cr为几十pF
 
现选Cr=51pF
∴Rr≤1/6×1051×10=3.2k
故选Rr=2.4k
选择加速电容CK 对合金管CK为几百pF对高频外延管CK为几十pF 现选Ck=51pF
计算结果标在图三中
1、 本站不保证以上观点正确,就算是本站原创作品,本站也不保证内容正确。
2、如果您拥有本文版权,并且不想在本站转载,请书面通知本站立即删除并且向您公开道歉! 以上可能是本站收集或者转载的文章,本站可能没有文章中的元件或产品,如果您需要类似的商品请 点这里查看商品列表!
本站协议 | 版权信息 |  关于我们 |  本站地图 |  营业执照 |  发票说明 |  付款方式 |  联系方式
深圳市宝安区西乡五壹电子商行——粤ICP备16073394号-1;地址:深圳西乡河西四坊183号;邮编:518102
E-mail:51dz$163.com($改为@);Tel:(0755)27947428
工作时间:9:30-12:00和13:30-17:30和18:30-20:30,无人接听时可以再打手机13537585389