| 注意:访问本站需要Cookie和JavaScript支持!请设置您的浏览器! • 打开购物车 • 查看留言 • 付款方式 • 联系我们 |
![]() |
| 首页 | 电子入门 | 学单片机 | 免费资源 | 下载中心 | 商品列表 | 象棋在线 | 在线绘图 | 加盟五一 | 加入收藏 | 设为首页 |
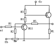
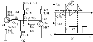
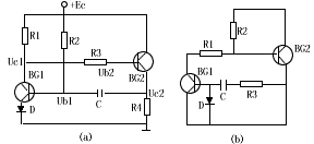
| 选择分类:当前分类——电子入门 相关联或者相类似的文章: 电鱼机电路图大全(404) PT2262/2272编解码集成电路介绍(402) yudongyang制作的雕刻机(402) 集成运算放大器的单电源供电电路(401) 互补管脉冲电路(401) 23. 模拟计算器数字输入及显示(400) GG帐号被K,厚着脸皮抗议到底!(400) 应急灯用6V电瓶自动充电器 (399) 电池使用小常识(398) VBScript 函数 (397) 自己做红外遥控接收装置 (396) 运算放大器的实验(396) 电路板厂电路板样品图片欣赏(396) 省电实用的电话灯(395) 对一个电学实验的又一改进(392) 岩石中的动物(391) 非法传销组织的“洗脑”骗术五(390) 正则表达式(390) 常用接口电路及其编程(389) 连接IDE设备时的注意事项 (388) 首页 前页 后页 尾页 本站推荐: | 互补管脉冲电路
1、 本站不保证以上观点正确,就算是本站原创作品,本站也不保证内容正确。 2、如果您拥有本文版权,并且不想在本站转载,请书面通知本站立即删除并且向您公开道歉! |
|
本站协议 |
版权信息 |
关于我们 |
本站地图 |
营业执照 |
发票说明 |
付款方式 |
联系方式
深圳市宝安区西乡五壹电子商行——粤ICP备16073394号-1;地址:深圳西乡河西四坊183号;邮编:518102 E-mail:51dz$163.com($改为@);Tel:(0755)27947428 工作时间:9:30-12:00和13:30-17:30和18:30-20:30,无人接听时可以再打手机13537585389 |