注意:访问本站需要Cookie和JavaScript支持!请设置您的浏览器! 打开购物车 查看留言付款方式联系我们
初中电子 单片机教材一 单片机教材二
搜索上次看见的商品或文章:
商品名、介绍 文章名、内容
首页 电子入门 学单片机 免费资源 下载中心 商品列表 象棋在线 在线绘图 加盟五一 加入收藏 设为首页
本站推荐:
集成音频功放IC应用于BTL方法探讨与实验
文章长度[3204] 加入时间[2007/1/4] 更新时间[2026/3/12 8:15:15] 级别[0] [评论] [收藏]

  BTL(Bridge-Tied-load)意为桥接式负载。负载的两端分别接在两个放大器的输出端。其中一个放大器的输出是另外一个放大器的镜像输出,也就是说加在负载两端的信号仅在相位上相差180°。负载上将得到原来单端输出的2倍电压。从理论上来讲电路的输出功率将增加4倍。BTL电路能充分利用系统电压,因此BTL结构常应用于低电压系统或电池供电系统中。在汽车音响中当每声道功率超过10w时,大多采用BTL形式。BTL形式不同于推挽形式,BTL的每一个放大器放大的信号都是完整的信号,只是两个放大器的输出信号反相而已。用集成功放块构成一个BTL放大器需要一个双声道或两个单声道的功放块。但是并不是所有的功放块都适用于BTL形式,BTL形式的几种接法也各有优劣、下面藉助于制作实验,对各种接法逐一介绍。实验中用到的功放集成块有LM1875,LM3886,TDA1514,LM4766。由于个人比较偏好于LM4766的音色,且其他IC的应用杂志上也多有介绍。因此以LM4766的BTL应用为例。

  图1所示是LM4766的第一种BTL应用接法。输入信号从LM4766放大器B的同相输入端输入,R6,R4,C2是其负反馈网络。放大器A的反相输入端信号经过R9从放大器B的输出端引入。并被R9,R1,C1分压。同时R1,C1,R3鹏又是放大器A的负反馈网络。假设C6端输入信号为V,放大器B的增益为PB=(R4+R6)/R4,B的输出端电压为PB*V。放大器A的输入是经过分压的,分压系数为 R1/( R9+R1),在电路中一般取R9=R6,R4=R1。因此分压系数为1/PB,放大器A的反相输入信号亦为 V,其增益为-(R4+R6)/R4,R3一般等于R6,所以A的增益为-PB*V。在负载上得到的输出为此两信号的迭加,即2PB*V。但是在此种形式的应用中存在着影响音效的环节。首先是R9必须严格等于R6,否则这一误差将会被A的放大系数所放大,使A和B的输出信号幅度相差很多。其二由于A的负反馈中C1的存在,A的输出在相位上并不会完全与B的输出相差180°。这是HI-FI玩家最忌讳的事。在实际制作与聆听中也发现,电路的输出在定位与层次感上,的确是让人糊涂。但此电路不论是空载,还是无输入信号或输入信号的信号源内阻很大,电路皆能正常工作。而且额外增加的元器件仅一电阻而已。稳定简单是此电路的特点。

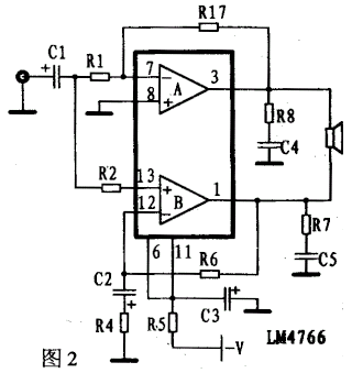
  图2所示是LM4766的第二种BTL应用接法。A作为反相放大器,B作为同相放大器。A的增益为-R17/R1,B的增益为(R4+R6)/R4,可取适当的值使二者增益相等。由于A、B放大器的输入信号在相位上是绝对相等的,经过放大后相位即使有延迟,但只要延迟的相位相等,迭加后也不会存在相位混乱的问题。此电路的适应性很不理想。因为它对输入信号源的要求很高。信号源必须在电路上电前加入,而且内阻要足够小。在不接入信号源时,A作为跟随器将会输出一直流电压损坏喇叭。当信号源内阻太大时,A的放大系数会变小。此种接法适用于在电路中加有低输出电阻的前级的电路系统中。

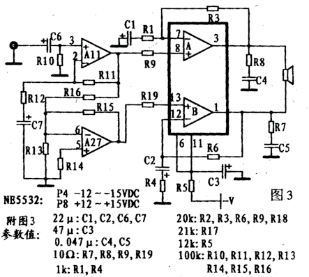
  图3所示是LM4766的第三种BTL应用接法。电路中加有一块NE5532。它改善了图2接法中的不稳定性。NE5532的放大器 A11 为电压跟随器,A27为反相器。因此,LM4766的两个同相放大器的输入是反相的,它们的输出亦是反相的。在All中使用了C7电容,应此在A11的输出中是不含直流分量的,所以A27可采用直流负反馈,这使得 A27 的输出与 A11 的输出正好相差180°,因而不存在图1所说的相位延迟问题。同时由于NE5532的输出内阻是相当小的,它又解决了图2中不稳定的问题。只是电路中增加了一块IC,使电路的复杂程度有所提高。
  作者对以上三种方法,分别用美国国家半导体的LM1875,LM3886,LM4766和飞利浦TDA1514做了测试。
  首先是LM1875。LM1875最高电压可达±30V,输出电流可达3A最大输出功率30W。无过流和温度保护电路。在NS给出的Datasheet中,它并没有推荐BTL应用方法。应用于图1接法时,声音有点飘的感觉。在图3中当拔掉音频输入端子,喇叭中有秃秃的声音,证实它在自激。三种电路输出功率可达80W左右。
  然后以图3方式,对LM3886和TDA1514做了一番比较。TDA1514最大供应电压是。±30V,当正负电压之差超过60V时,集成块会很容易损坏。当负载是8Ω时,最大电压为±28V,推荐用±24V。LM3886最大供应电压是±42V,当负载是8Ω时推荐用±35V,负载是4Ω时推荐用±28V。电源供应电流最好不要小于5A。如果电流不够,将会引起电压波动,不能真实反映BTL的输出功率。测试时,信号源采用正弦波发生器,调整它的幅度直到出现削波失真为止。散热片要足够大以免出现温度过流保护动作。
  TDA1514应用于BTL方式时必须小心谨慎,否则容易自激。在每个放大器输出端必须用一个1/4W、10Ω电阻与0.047pF电容串连到地。反馈电阻(一般是27kΩ到33kΩ)减小到20k见以减小增益。喇叭用8Ω的。TDA1514内部有限流保护和最大功率限制电路,最大输出电流大约3A。最大输出功率50W。在接成BTL时,发现最大功率可达100W左右,限流电路开始动作。输出端在正弦波的峰顶时被关闭。过了峰顶后又打开,虽然不是很容易听出来,但已严重影响了音质。超过110w时功率限制电路工作,输出端被彻底关掉。
  LM3886有独特的“SPIKE”保护电路,这使它在许多方面胜过飞利浦的TDA1514。LM3886并不是在输出超额时就简单地关掉电路。SPIKE保护有一个转换区间。LM3886也有固定的温度检测过流保护。最大输出电流比TDA1514稍大。实际最大输出功率60W。在接成BTL时,最大功率可达120W左右。二者音质难分伯仲,只是当LM3886应用于高电压时,其音质在结实方面要胜一筹。
  最后对LM4766接成图3方式实验,电路输出功率100W左右,其音质干脆有力,动态范围极佳。另外,有条件的读者可至NS的网站索要免费样品(free sample)。网址是:www.national.com。综上所述,在使用BTL,电路提高输出功率时,一定要根据系统电路选择合适的电路形式,并且要深入了解所用集成块的参数,才能设计出合适的应用电路。

1、 本站不保证以上观点正确,就算是本站原创作品,本站也不保证内容正确。
2、如果您拥有本文版权,并且不想在本站转载,请书面通知本站立即删除并且向您公开道歉! 以上可能是本站收集或者转载的文章,本站可能没有文章中的元件或产品,如果您需要类似的商品请 点这里查看商品列表!
本站协议 | 版权信息 |  关于我们 |  本站地图 |  营业执照 |  发票说明 |  付款方式 |  联系方式
深圳市宝安区西乡五壹电子商行——粤ICP备16073394号-1;地址:深圳西乡河西四坊183号;邮编:518102
E-mail:51dz$163.com($改为@);Tel:(0755)27947428
工作时间:9:30-12:00和13:30-17:30和18:30-20:30,无人接听时可以再打手机13537585389