| 注意:访问本站需要Cookie和JavaScript支持!请设置您的浏览器! • 打开购物车 • 查看留言 • 付款方式 • 联系我们 |
![]() |
| 首页 | 电子入门 | 学单片机 | 免费资源 | 下载中心 | 商品列表 | 象棋在线 | 在线绘图 | 加盟五一 | 加入收藏 | 设为首页 |
| 选择分类:当前分类——学单片机 相关联或者相类似的文章: 三十分钟一个小时学会单片机(9045) 什么是单片机?单片机有什么用? (8723) 如何用STC板将代码烧录进IC(8681) 怎样安装AT51编程板的USB转串口软件?(8206) 送给单片机爱好者——LED在线编码器(1814) 送给单片机爱好者——LED点阵在线编码器(1544) 单片机系统中的汉字显示(1492) 带语音报数功能的抢答器(1489) 用VB进行串口实时数据采集(1347) 用AT89C2051设计超声波测距仪(1171) 小小电子闹钟 生活学习良伴(1165) DS1820测温原理(1129) 几句代码实现控制摄像头(转)(1117) STC单片机选型指南(1111) 自制PIC单片机编程器(1105) USB转串口芯片CH340(1010) 快速学习单片机之黄金机会!(1010) 告戒购单片机开发实验板初学者(970) 新款实用旋转LED显示屏A(890) 使用市售 USB转RS232串口与PLC通信的测试报告 (881) 首页 前页 后页 尾页 本站推荐: | 8. 按键识别方法之一 1. 实验任务 I/O并行口直接驱动LED显示
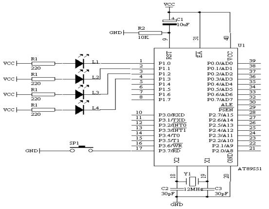
每按下一次开关SP1,计数值加1,通过AT89S51单片机的P1端口的P1.0到P1.3显示出其的二进制计数值。
2. 电路原理图
![]() 图4.8.1
3. 系统板上硬件连线
(1. 把“单片机系统”区域中的P3.7/RD端口连接到“独立式键盘”区域中的SP1端口上;
(2. 把“单片机系统”区域中的P1.0-P1.4端口用8芯排线连接到“八路发光二极管指示模块”区域中的“L1-L8”端口上;要求,P1.0连接到L1,P1.1连接到L2,P1.2连接到L3,P1.3连接到L4上。
4. 程序设计方法
(1. 其实,作为一个按键从没有按下到按下以及释放是一个完整的过程,也就是说,当我们按下一个按键时,总希望某个命令只执行一次,而在按键按下的
过程中,不要有干扰进来,因为,在按下的过程中,一旦有干扰过来,可能造成误触发过程,这并不是我们所想要的。因此在按键按下的时候, 图4.8.2要把我们手上的干扰信号以及按键的机械接触等干扰信号给滤除掉,一般情况下,我们可以采用电容来滤除掉这些干扰信号,但实际上,会增加硬件成本及硬件电路的体积,这是我们不希望,总得有个办法解决这个问题,因此我们可以采用软件滤波的方法去除这些干扰信号,一般情况下,一个按键按下的时候,总是在按下的时刻存在着一定的干扰信号,按下之后就基本上进入了稳定的状态。具体的一个按键从按下到释放的全过程的信号图如上图所示:
从图中可以看出,我们在程序设计时,从按键被识别按下之后,延时5ms以上,从而避开了干扰信号区域,我们再来检测一次,看按键是否真得已经按下,若真得已经按下,这时肯定输出为低电平,若这时检测到的是高电平,证明刚才是由于干扰信号引起的误触发,CPU就认为是误触发信号而舍弃这次的按键识别过程。从而提高了系统的可靠性。
由于要求每按下一次,命令被执行一次,直到下一次再按下的时候,再执行一次命令,因此从按键被识别出来之后,我们就可以执行这次的命令,所以要有一个等待按键释放的过程,显然释放的过程,就是使其恢复成高电平状态。
(1. 对于按键识别的指令,我们依然选择如下指令JB BIT,REL指令是用来检测BIT是否为高电平,若BIT=1,则程序转向REL处执行程序,否则就继续向下执行程序。或者是 JNB BIT,REL指令是用来检测BIT是否为低电平,若BIT=0,则程序转向REL处执行程序,否则就继续向下执行程序。
(2. 但对程序设计过程中按键识别过程的框图如右图所示: 图4.8.3
5. 程序框图
图4.8.4
6.
汇编源程序 ORG 0
START: MOV R1,#00H ;初始化R7为0,表示从0开始计数
MOV A,R1 ;
CPL A ;取反指令
MOV P1,A ;送出P1端口由发光二极管显示
REL: JNB P3.7,REL ;判断SP1是否按下
LCALL DELAY10MS ;若按下,则延时10ms左右
JNB P3.7,REL ;再判断SP1是否真得按下
INC R7 ;若真得按下,则进行按键处理,使
MOV A,R7 ;计数内容加1,并送出P1端口由
CPL A ;发光二极管显示
MOV P1,A ;
JNB P3.7,$ ;等待SP1释放
SJMP REL ;继续对K1按键扫描
DELAY10MS: MOV R6,#20 ;延时10ms子程序
L1: MOV R7,#248
DJNZ R7,$
DJNZ R6,L1
RET
END
7. C语言源程序
#include <AT89X51.H>
unsigned char count;
void delay10ms(void)
{
unsigned char i,j;
for(i=20;i>0;i--)
for(j=248;j>0;j--);
}
void main(void)
{
while(1)
{
if(P3_7==0)
{
delay10ms();
if(P3_7==0)
{
count++;
if(count==16)
{
count=0;
}
P1=~count;
while(P3_7==0);
}
}
}
} 1、 本站不保证以上观点正确,就算是本站原创作品,本站也不保证内容正确。 2、如果您拥有本文版权,并且不想在本站转载,请书面通知本站立即删除并且向您公开道歉! |
|
本站协议 |
版权信息 |
关于我们 |
本站地图 |
营业执照 |
发票说明 |
付款方式 |
联系方式
深圳市宝安区西乡五壹电子商行——粤ICP备16073394号-1;地址:深圳西乡河西四坊183号;邮编:518102 E-mail:51dz$163.com($改为@);Tel:(0755)27947428 工作时间:9:30-12:00和13:30-17:30和18:30-20:30,无人接听时可以再打手机13537585389 |