进入框架页面

键盘接口与编程

键盘是由若干按键组成的开关矩阵,它是微型计算机最常用的输入设备,用户可以通过键盘向计算机输入指令、地址和数据。一般单片机系统中采和非编码键盘,非编码键盘是由软件来识别键盘上的闭合键,它具有结构简单,使用灵活等特点,因此被广泛应用于单片机系统。

     

  1. 按键开关的抖动问题
  2. 组成键盘的按键有触点式和非触点式两种,单片机中应用的一般是由机械触点构成的。在下图中,当开

    图1

    图2

    S未被按下时,P10输入为高电平,S闭合后,P10输入为低电平。由于按键是机械触点,当机械触点断开、闭合时,会有抖动动,P10输入端的波形如图2所示。这种抖动对于人来说是感觉不到的,但对计算机来说,则是完全可以感应到的,因为计算机处理的速度是在微秒级,而机械抖动的时间至少是毫秒级,对计算机而言,这已是一个“漫长”的时间了。前面我们讲到中断时曾有个问题,就是说按键有时灵,有时不灵,其实就是这个原因,你只按了一次按键,可是计算机却已执行了多次中断的过程,如果执行的次数正好是奇数次,那么结果正如你所料,如果执行的次数是偶数次,那就不对了。

    为使CPU能正确地读出P1口的状态,对每一次按键只作一次响应,就必须考虑如何去除抖动,常用的去抖动的方法有两种:硬件方法和软件方法。单片机中常用软件法,因此,对于硬件方法我们不介绍。软件法其实很简单,就是在单片机获得P10口为低的信息后,不是立即认定S1已被按下,而是延时10毫秒或更长一些时间后再次检测P10口,如果仍为低,说明S1的确按下了,这实际上是避开了按键按下时的抖动时间。而在检测到按键释放后(P10为高)再延时5-10个毫秒,消除后沿的抖动,然后再对键值处理。不过一般情况下,我们通常不对按键释放的后沿进行处理,实践证明,也能满足一定的要求。当然,实际应用中,对按键的要求也是千差万别,要根据不同的需要来编制处理程序,但以上是消除键抖动的原则。

     

  3. 键盘与单片机的连接

    图3

    图4

1、通过1/0口连接。将每个按键的一端接到单片机的I/O口,另一端接地,这是最简单的方法,如图3所示是实验板上按键的接法,四个按键分别接到P3.2 P3.3P3.4P3.5。对于这种键各程序可以采用不断查询的方法,功能就是:检测是否有键闭合,如有键闭合,则去除键抖动,判断键号并转入相应的键处理。下面给出一个例程。其功能很简单,四个键定义如下:

     

P3.2:开始,按此键则灯开始流动(由上而下)

P3.3:停止,按此键则停止流动,所有灯为暗

P3.4:上,按此键则灯由上向下流动

P3.5:下,按此键则灯由下向上流动

UpDown EQU 00H ;上下行标志

StartEnd EQU 01H ;起动及停止标志

LAMPCODE EQU 21H ;存放流动的数据代码

ORG 0000H

AJMP MAIN

ORG 30H

MAIN:

MOV SP,#5FH

MOV P1,#0FFH

CLR UpDown ;启动时处于向上的状态

CLR StartEnd ;启动时处于停止状态

MOV LAMPCODE,#0FEH ;单灯流动的代码

LOOP:

ACALL KEY ;调用键盘程序

JNB F0,LNEXT ;如果无键按下,则继续

ACALL KEYPROC ;否则调用键盘处理程序

LNEXT:

ACALL LAMP ;调用灯显示程序

AJMP LOOP ;反复循环,主程序到此结束

;---------------------------------------

DELAY:

MOV R7,#100

D1: MOV R6,#100

DJNZ R6,$

DJNZ R7,D1

RET

;----------------------------------------延时程序,键盘处理中调用

KEYPROC:

MOV A,B ;B寄存器中获取键值

JB ACC.2,KeyStart ;分析键的代码,某位被按下,则该位为1(因为在键盘程序中已取反)

JB ACC.3,KeyOver

JB ACC.4,KeyUp

JB ACC.5,KeyDown

AJMP KEY_RET

KeyStart:

SETB StartEnd ;第一个键按下后的处理

AJMP KEY_RET

KeyOver:

CLR StartEnd ;第二个键按下后的处理

AJMP KEY_RET

KeyUp: SETB UpDown ;第三个键按下后的处理

AJMP KEY_RET

KeyDown:

CLR UpDown ;第四个键按下后的处理

KEY_RET:RET

KEY:

CLR F0 ;F0,表示无键按下。

ORL P3,#00111100B ;P3口的接有键的四位置1

MOV A,P3 ;P3的值

ORL A,#11000011B ;将其余4位置1

CPL A ;取反

JZ K_RET ;如果为0则一定无键按下

ACALL DELAY ;否则延时去键抖

ORL P3,#00111100B

MOV A,P3

ORL A,#11000011B

CPL A

JZ K_RET

MOV B,A ;确实有键按下,将键值存入B

SETB F0 ;设置有键按下的标志

K_RET:

ORL P3,#00111100B ;此处循环等待键的释放

MOV A,P3

ORL A,#11000011B

CPL A

JZ K_RET1 ;直到读取的数据取反后为0说明键释放了,才从键盘处理程序中返回

AJMP K_RET

K_RET1:

RET

;-----------------------------------

D500MS: ;流水灯的延迟时间

PUSH PSW

SETB RS0

MOV R7,#200

D51: MOV R6,#250

D52: NOP

NOP

NOP

NOP

DJNZ R6,D52

DJNZ R7,D51

POP PSW

RET

;-----------------------------------

LAMP:

JB StartEnd,LampStart ;如果StartEnd=1,则启动

MOV P1,#0FFH

AJMP LAMPRET ;否则关闭所有显示,返回

LampStart:

JB UpDown,LAMPUP ;如果UpDown=1,则向上流动

MOV A,LAMPCODE

RL A ;实际就是左移位而已

MOV LAMPCODE,A

MOV P1,A

LCALL D500MS

AJMP LAMPRET

LAMPUP:

MOV A,LAMPCODE

RR A ;向下流动实际就是右移

MOV LAMPCODE,A

MOV P1,A

LCALL D500MS

LAMPRET:

RET

END

以上程序功能很简单,但它演示了一个键盘处理程序的基本思路,程序本身很简单,也不很实用,实际工作中还会有好多要考虑的因素,比如主循环每次都调用灯的循环程序,会造成按键反应“迟钝”,而如果一直按着键不放,则灯不会再流动,一直要到松开手为止,等等,大家可以仔细考虑一下这些问题,再想想有什么好的解决办法。

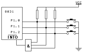
2、采用中断方式:如图4所示。各个按键都接到一个与非上,当有任何一个按键按下时,都会使与门输出为低电平,从而引起单片机的中断,它的好处是不用在主程序中不断地循环查询,如果有键按下,单片机再去做相应的处理。

 

 


以上资料来自于互联网!编辑整理:五一电子加油站;网址:http://51dz.com
欢迎光临五一电子商城!免费学习电子技术,面向全国邮购电子元件、实验套件!